ESC bezárás

A belső kezelőterű transzformátor állomások ipari vagy közcélú fogyasztók energia ellátásának biztosítására egyaránt alkalmasak. Főként olyan esetben alkalmazandók, ahol előírás a belső térben történő kezelhetőség. Ezen transzformátor állomás típusok széles teljesítmény tartományban adnak alternatívát az ilyen jellegű elvárások biztosítására.
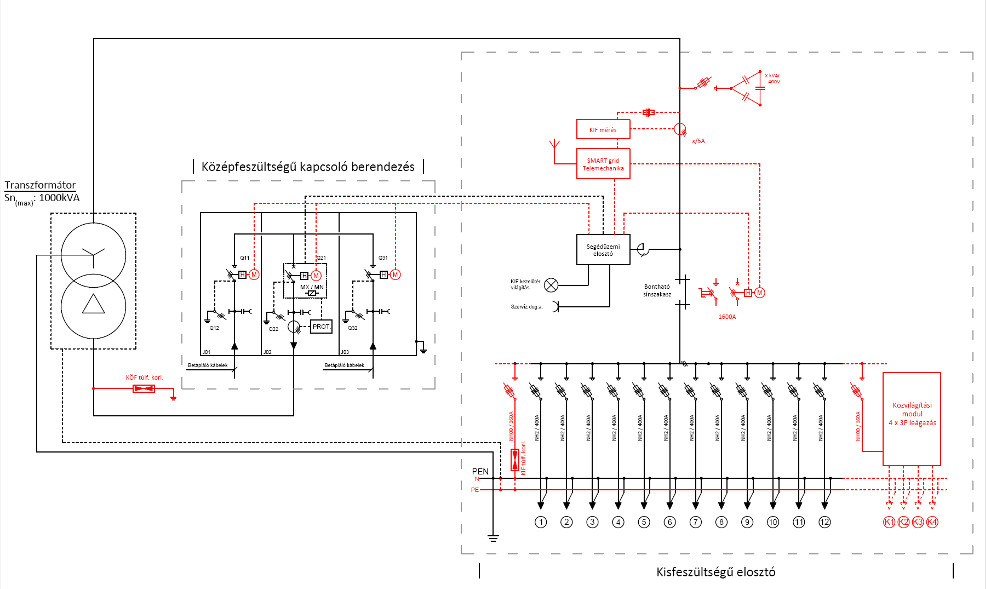
A transzformátor állomásban külön kamrában kap helyet a transzformátor és külön kamrában kap helyet a közös KIF / KÖF kezelőtér.
A KIF / KÖF kezelőtérben jellemzően SF6 mentes védőgázos KÖF kapcsoló berendezéseket alkalmazunk. A KIF elosztó alap esetben KVGY gyártmányú, nyitott rendszerű elosztó a mindenkori felhasználási igényeknek megfelelően kialakítva. Ugyanakkor kompakt elosztószekrény alkalmazása is lehetséges.A belső kezelőterű transzformátor állomások, csakúgy, mint minden KVGY transzformátor állomás megfelel az alábbi szabványok követelményeinek:

MSZ EN 62271-1, MSZ EN 62271-200, MSZ EN 62271-202, MSZ EN 60076-1,
MSZ EN 60947-1, MSZ EN 60529, MSZ EN 61439-5, MSZ EN 60068, MSZ 2364, MSZ HD 60364

 

Az állomások felépítése:

  • Alsó elem (föld alatti beton elem)
    A transzformátor állomás alapteste, ebben az elemben történik a kábelek fogadása, erre kerül felhelyezésre az állomás felső része. Az alsó elem betonlemezekből épített kompakt szerkezet.
  • Felső rész (föld feletti beton elem)
    Ebben a részben kap helyet a transzformátor, és a KIF/ KÖF kapcsoló berendezések. Az felső elem betonlemezekből épített kompakt beton szerkezet.
  • Tető
    Az állomás felső részére kerül felhelyezésre, öntött monolit beton szerkezet. 

Az alap elrendezésű belső kezelőterű transzformátor állomásoktól műszaki egyeztetést követően el lehet térni, ami a tervezőknek nagyobb szabadság fokot biztosít. Az állomás kialakítása lehetőséget biztosít különböző kábel bevezetési irányok alkalmazására, a kezelőtrében rendelkezésre álló tér igény szerinti elrendezésére - KIF/KÖF berendezések változatos elrendezésére (a biztonságos működéshez szükséges perem paraméterek és méretek betartása mellett)

Belső kezelőterű transzformátor állomások alaptípus választéka:

KTW-1000B   - (1000kVA-ig)
KTW-1600B   - (1600kVA-ig)
KTW-1600BT - (1600kVA-ig)
 

 

Elérhető konfigurációk

 TípusKÖF Mező számKIF Leágazások száma
KÖF berendezésSchneider RM AirSeT2-4-
ABB Safering Air2-4-
Siemens 8DJH Blue2-4-
KIF berendezésNH00-1-26
NH2, NH3-1-12
Transzformátor teljesítmény1000kVA-ig

 

Egyéb kiegészítők:

Fázisjavítás, transzformátor meddő kompenzálás, KIF és/vagy KÖF túlfeszültség korlátozó, tűzvédelmi rendszerbe integrálás, telemechanika KIF és/vagy KÖF oldalon, épületfelügyeleti rendszerbe integrálás, közvilágítási modul (4x3F)

*A pirossal jelölt részek opcionálisak, alap kiépítésben az állomás nem tartalmazza ezeket az opciókat.
További opciók a megrendelő kérésének megfelelően biztosíthatók amennyiben azok megfelelnek az állomás egyes perem paramétereinek.

 

KTW-1000B - (1000kVA-ig)

Elérhető konfigurációk

 TípusKÖF Mező számKIF Leágazások száma
KÖF berendezésSchneider RM AirSeT2-4-
ABB Safering Air2-4-
Siemens 8DJH Blue2-4-
KIF berendezés – kompaktKompakt elsoztó-Egyedi kialakítás
KIF berendezés – nyitottNH00-1-40*
NH2, NH3-1-20
Transzformátor teljesítmény1000kVA-ig

 

 

 

Egyéb kiegészítők:

Fázisjavítás, transzformátor meddő kompenzálás, KIF és/vagy KÖF túlfeszültség korlátozó, tűzvédelmi rendszerbe integrálás, telemechanika KIF és/vagy KÖF oldalon, épületfelügyeleti rendszerbe integrálás, közvilágítási modul (4x3F), transzformátor kényszer szellőztetés

Kompakt elosztószekrények esetében az elosztószekrény típusától és elrendezésétől függően az opciók változhatnak

 

 

Letölthető fájlok, dokumentumok, műszaki rajzok

KTW-1600B - (1600kVA-ig)

Elérhető konfigurációk

 TípusKÖF Mező számKIF Leágazások száma
KÖF berendezésSchneider RM AirSeT2-4-
ABB Safering Air2-4-
Siemens 8DJH Blue2-4-
KIF berendezés – kompaktKompakt elsoztó-Egyedi kialakítás
KIF berendezés – nyitottNH00-1-40*
NH2, NH3-1-20
Transzformátor teljesítmény1600kVA-ig

 

Egyéb kiegészítők:

Fázisjavítás, transzformátor meddő kompenzálás, KIF és/vagy KÖF túlfeszültség korlátozó, tűzvédelmi rendszerbe integrálás, telemechanika KIF és/vagy KÖF oldalon, épületfelügyeleti rendszerbe integrálás, közvilágítási modul (4x3F), transzformátor kényszer szellőztetés

Kompakt elosztószekrények esetében az elosztószekrény típusától és elrendezésétől függően az opciók változhatnak

Letölthető fájlok, dokumentumok, műszaki rajzok

KTW-1600BT - (1600kVA-ig)

Elérhető konfigurációk

 TípusKÖF Mező számKIF Leágazások száma
KÖF berendezésSchneider RM AirSeT2-4-
ABB Safering Air2-4-
Siemens 8DJH Blue2-4-
KIF berendezés – kompaktKompakt elsoztó-Egyedi kialakítás
KIF berendezés – nyitottNH00-1-40
NH2, NH3-1-20
Transzformátor teljesítmény1600kVA-ig

 

*Egyéb kiegészítők:

Fázisjavítás, transzformátor meddő kompenzálás, KIF és/vagy KÖF túlfeszültség korlátozó, tűzvédelmi rendszerbe integrálás, telemechanika KIF és/vagy KÖF oldalon, épületfelügyeleti rendszerbe integrálás, közvilágítási modul (4x3F), transzformátor kényszer szellőztetés

Kompakt elosztószekrények esetében az elosztószekrény típusától és elrendezésétől függően az opciók változhatnak

Letölthető fájlok, dokumentumok, műszaki rajzok
© 2026. KVGY Kft., Minden jog fenntartva | Adatkezelés
Portal & Code: ThunderStudio